수관식 폐열보일러최종 수정 일자 : 2018-11-21 19:42:07
◆수관식 폐열보일러

- 폐열회수보일러는 제철소, 화학공장, 시멘트공장에서 발생되는 폐가스중의 폐열을 최대한 회수하여 증기 또는 온수를 발생시키는 장치입니다. 저온의 가스로부터도 폐열을 최대로 회수하기 위한 신한열기의 노력은 원가절감, 에너지 절약 및 환경개선측면에서 많은 도움을 줄 것입니다.
※특징
1. Memerane Wall 구조로 가스 누출이 전혀 없고 방열 손실이 적어 지속적인 효율이 유지됩니다.
2. 2,3 Drum, 관류형, 강제순환식 등 다양한 제품으로 현장조건에 맞는 설계시공으로 외장이 미려합니다.
3. 특수 비수방지판으로 완전건증기를 생산하여 설비효율을 향상시켰습니다.
4. 특수 Cleaning system으로 전열관의 물청소가 가능하다며 다수의 청소구 설치로 점검 및 청소가 용이합니다.
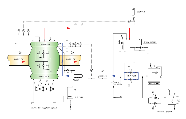
※계통도

※제품사양

본 사이트는
Internet Explorer 8 이하 버전을
지원하지 않습니다.
Internet Explorer 9 이상으로 업데이트 하거나
크롬, 파이어폭스, 오페라, 사파리 최신 브라우저를 이용해 주십시오.
불편을 드려 죄송합니다.