메뉴

031-319-4555

ENG
뒤로전체카테고리

시흥 기업거래 장터

검색

(주)세미코

금속 주조 및 기타 야금용 기계 제조업031-316-2041

공유하기

플런저팁최종 수정 일자 : 2018-11-22 15:06:25

플런저팁


 

 

 

1. 특징

용사 Tip

- 내마모성

- 내식성

- 표면 경도 HRC 48-50


SKD-61종 Tip

- 내마모성

- 내식성

- 표면 경도 HRC 48~50


주물 Tip

- 저렴한 단가

- 표면경도 HRC 38~43

- SLEEVE 수평이 길어짐


2. 적용기계

- 도요, 도시바, 태성, 만주, 우베, 가와구찌, 지타이, 후세등에 적용


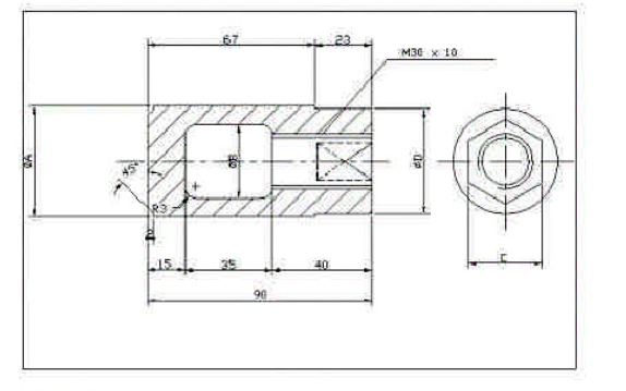
3.도면



본 사이트는
Internet Explorer 8 이하 버전을
지원하지 않습니다.

Internet Explorer 9 이상으로 업데이트 하거나
크롬, 파이어폭스, 오페라, 사파리 최신 브라우저를 이용해 주십시오.
불편을 드려 죄송합니다.

Internet Explorer Update